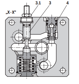
Van 2FRM là van điều khiển lưu lượng 2 ngả, vận hành cơ học, có chức năng duy trì lưu lượng ổn định bất kể sự thay đổi của nhiệt độ hoặc áp suất. Để đạt được điều chỉnh lưu lượng ổn định theo hai chiều, có thể lắp thêm một đế chỉnh lưu Z4S dạng tấm sandwich phía dưới van.
- 2-way flow control valve (van điều khiển lưu lượng 2 ngả): Van có hai cổng (vào và ra), dùng để điều chỉnh lưu lượng chất lỏng qua van.
- Mechanically operated (vận hành cơ học): Điều chỉnh lưu lượng bằng cơ cấu lò xo và màng hoặc piston, không dùng tín hiệu điện.
- Steady flow rate (lưu lượng ổn định): Lưu lượng không đổi ngay cả khi có thay đổi về nhiệt độ hoặc áp suất hệ thống.
- Z4S rectifier sandwich plate (đế chỉnh lưu Z4S dạng tấm sandwich): Phụ kiện gắn kèm bên dưới van, dùng để cho phép điều chỉnh lưu lượng theo cả hai chiều dòng chảy.
- Bidirectional flow regulation (điều chỉnh lưu lượng hai chiều): Điều khiển được lưu lượng theo cả hai hướng dòng chảy qua van, thay vì chỉ một chiều.

- Size 10 or 16
- Component series 3X
- maximum operating pressure 315 bar
- Maximum flow 160 l/min
Tại Việt Nam các dòng sản phẩm tiêu biểu của Valve 2FRM của Rexroth được ứng dụng nhiều nhất. Các model khác bạn có thể liên hệ với Ktec-Vina nhà phân phối chính thức của thương hiệu Rexroth tại Việt Nam để chung tôi có thể hổ trợ bạn sớm nhất.
| 2FRM16-3X/160L 2-Way flow control valve | R900424906 |
| 2FRM16-3X/60L 2-Way flow control valve | R900423271 |
| 2FRM16-3X/100L 2-Way flow control valve | R900462063 |
| 2FRM10-3X/50L 2-Way flow control valve | R900420286 |
| 2FRM10-3X/25L 2-Way flow control valve | R900423255 |
| 2FRM10-3X/16L 2-Way flow control valve | R900423251 |
| 2FRM10-3X/10L 2-Way flow control valve | R900212686 |



Để lại một bình luận